Overview
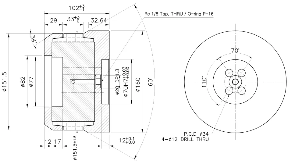
The rapid automation of secondary battery production lines has significantly reduced the value of the mechanically operated chucks that were previously sold. Therefore, we are introducing a newly developed urethane tube-type chuck.
This type of chuck is the most suitable for automated control and minimizes dust generation since it does not use metal lugs. Additionally, our proprietary technology has achieved the industry's highest grip strength in the market, ensuring stable roll handling during high-weight material operations without slipping during rapid acceleration and deceleration.
- YR-800 U(UL)

- YR-800 US
